JLCPCB様(jlcpcb.com/JPV/ ・ jlcpcb.com/jp/)より、また基板製造サービスの割引をご提供いただきました。いつもありがとうございます!
JLCPCBについて

JLCPCBは、安価かつ高品質な基板製造サービスを提供する中国の企業です。PCB製造から部品実装まで対応し、試作から量産まで幅広く利用できます。いつも回路班がお世話になっております。
サービスの多様化が著しいJLCPCBですが、最近はフレキシブルヒーターの注文ができるようになったみたいですね。(詳細はこちら) もはや何に使えばいいのかわかりません。自作3Dプリンターのヒートベッドとか?電気式カイロとか作っても面白そう
今回製作した基板
今回はこれまで試作した基板たちの量産をお願いしたため、以前の記事と重複するところがありますがご了承ください。いずれもPCB+PCBAで発注しており、2週間程度で到着しました。
BLDCモータードライバー

前回製作したモータードライバーの量産ロットです。詳細はリンク先の記事を参照ください<(_ _)>
実際に動かしてみて判明した問題の修正、定数の調整などを実施しました。
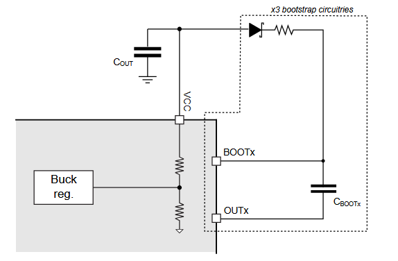
最大の変更点として、ゲートドライブ回路にダイオードを追加していることがあります。そもそも、このモタドラのメインチップであるSTSPIN32G4はゲートドライブ回路の大半を内蔵しており(青囲み)、コンデンサ(赤丸)を外付けするだけでブートストラップ回路を構成することが可能です。

ただ、内蔵のブートストラップ回路に用いられているダイオードでは充電速度が不十分な場合、以下のようにVcc/BOOT間にダイオードを追加することが可能です。これは内蔵のものと並列に接続される形になります。

前回試作した基板ではPWMのduty比を十分に高くすることができず、原因のひとつとしてこの内蔵ダイオードの性能不足が考えられました。今回の基板(右)では、写真のようにダイオードと抵抗が追加されているのがわかります。

十分な性能を持ちながら既存のレイアウトに収まる小型のダイオードを選定するのは大変でした。JLCPCBのparts libraryから追加料金がかからないbasic partsかprmotional extended partsで探し、B16WSを選定しました。
これ以外にも20項目以上の修正を実施しました。
また、今回は量産によるコストカットを狙いました。割引前の価格は10枚で約$120であり、1枚当たり$12とかなり安価にできました。対等な比較ではありませんが、代表的な市販ESCであるOdrive S1が1枚$149なので実に10分の1以下です!
磁気エンコーダー基板

こちらは前々回試作したエンコーダー基板の量産バージョンです。出力がSPIのもの(AS5047P)を採用し、極力小型化しました。先述のモタドラに接続する想定ですが、一般的な機構の絶対角を取得する用途にも使用可能です。
JLCPCBの発注方法
これまでは製作物の解説を主にしてきましたが、具体的な発注方法については紹介していませんでした。今回はPCBとPCBAの発注方法についても詳しく書きたいと思います。題材には今回発注したエンコーダー基板を使用します。
0. 製造データをエクスポートする
KiCADの場合、「fablication toolkit」というプラグインを使うと便利です。プラグイン&コンテンツマネージャーからインストールしましょう。

インストールしたら、PCBエディターに以下のようなアイコンが出ると思います。

これをクリックすることで、製造用のファイルをまとめてエクスポートすることができます。設定はいじらなくてOKです。
1. JLCPCBにログインし、新規注文を開始
まずは JLCPCB にログインし、トップページから “Order Now” をクリックします。
日本語ページにはいくつかバグがあったので(今は修正済かも?)、以下言語設定はEnglishで進行します。
2. PCBの仕様を設定する
次に、0. で出力した ガーバーファイル(zipファイル)をアップロードすると、自動でサイズ、層数などを読み取ってくれます。

作りたい基板(PCB)の仕様を選びます。
- 材質(FR-4が一般的)
- 厚み(1.6mmが標準)
- 色(緑色が標準、他の色だと納期が延びる)
- 銅箔厚(1ozが標準)
- 表面処理(HASL / ENIG) などなど…
こだわりがなければ特に触らず進みましょう。
3. 「Assembly(実装)」を有効にする
基板の仕様を決めたら、下の方にある “PCB Assembly” にチェックを入れます。
有効にすると追加の設定が現れます。

片面のみの実装で、特にこだわりがなければ触らなくていいでしょう。5枚もいらなければ実装を2枚にしておくとよい。
4. BOM・CPLファイルをアップロード
JLCPCBのPCBAでは、以下の2つのファイルが必要です。
- BOMファイル(部品リスト)
- CPLファイル(部品の座標)
0. でエクスポートしたファイルを使います。Add BOM Fileにbom.csv、Add CPL Fileにpositions.csvをアップロード。アップロード後、部品の照合画面に遷移します。
実装データがない等のエラーが出ることがありますが、基本的に無視(continue)で大丈夫です。

5. 部品ライブラリとのマッチング
JLCPCBに在庫がある部品と、自分のBOMの部品を照合します。定数、パッケージ等に注意すること。JLC側がそれっぽい部品を推測してくれるので、受動部品は大体そのまま選択すればOKです。推測が間違っている場合は虫眼鏡ボタンから頑張って探しましょう。
予めparts llibrary上でパーツを選定してKiCadに入力しておき、ここで反映させるテクニックもあります。次以降の記事で書く予定です。

今回はすべて推測してくれた部品で問題ないので、Selectにチェックを入れるだけです。
6. 実装プレビューを確認
JLCPCBは自動で部品の位置を表示してくれます。チェックしましょう。
- 向き
- パッドとの一致
- シルクと干渉していないか
ここで間違いがあると(多分)そのまま実装ミスになるので要注意です。なぜか向きが左90°回転していることが多いので、要注意。

AS5047Pの向きが回転しているので、直します。
すべて大丈夫なら、Next→SAVE TO CART
7. 注文数と納期を選択
最後に以下を設定します。
- PCB枚数
- 実装枚数
- 出荷方法(DHL、FedEx、OCSなど)
価格はリアルタイムで右側に表示されます。納期が許せば、OCSで送るのが最安です。
8. 支払いをして注文完了!
支払いには以下が使えます:
- クレジットカード
- PayPal
- Alipay など
なんとなくPayPalが安心な気がしています。
注文が完了すると、製造→実装→検査→出荷のステータスが順に進んでいきます。
以上のようにすることで、簡単に基板を発注することができます。ぜひ利用してみてください!